Topへ戻る
目次に戻る

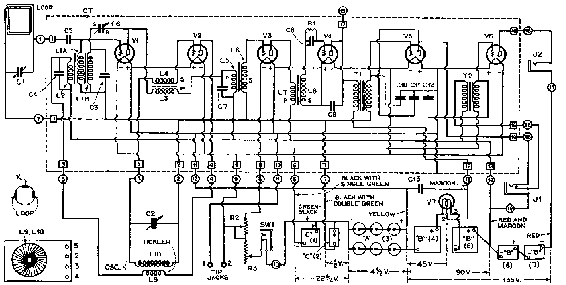
Radiola25 の全体像
1925年(大正14年)に$165 でRCAから発売された6球スーパーヘテロダイン受信機
5本のUX-199と1本のUX-120を使用
電源は全て乾電池


ダイアル部分を拡大したところです
左右のダイアルは同時にも別々にも回転させることができます。



回路図