目次に戻る
|
コンソールの全体像です ”蓄音機”は無く、ラジオのみとは驚きです。 * ![]() * 調整用のツマミは合計7つもあります。 左から順に 1番目;高周波、中間周波増幅ゲイン 2番目;低音コントロール 3番目;電源スイッチ 4番目(少し上);同調 5番目;周波数選択 6番目;高音コントロール 7番目;音量調節 |
下の写真とは少し年代が異なるようですが 同じ形式のシャシーです。 * ![]() |
|
![]() |
巨大なフィールドコイル(2kΩ、約2kg) を背負った20”スピーカが中央に座っていますが その両側に共鳴箱が設けられています。 裏面から見て左が高音用、右が低音用でしょうか? * ![]() | ![]() |
|
* 裏側に張り付けられた情報によると電源の種類によって二つの形式があるようです。 * ![]() |
||
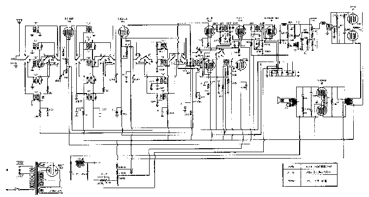
* RCA Victor Model 281 コンソール型マルチバンドラジオのシャーシ(2001年12月31日UP)


左上から順番に真空管の役割は以下のとおりです。 |
|
高周波増幅 | UZ-6D6 |
周波数変換、第一検波 | Ut-6A7 |
1st 中間周波増幅 | UZ-6D6 |
自動音量調節用中間周波増幅 | UZ-6D6 |
2nd 中間周波増幅 | UZ-6D6 |
自動音量調節用検波、増幅 | UY-76 |
第二検波、低周波増幅 | UZ-85 |
ドライバーアンプ | UY-76,UY-76 |
出力増幅 | UZ-42,UZ-42 |

|
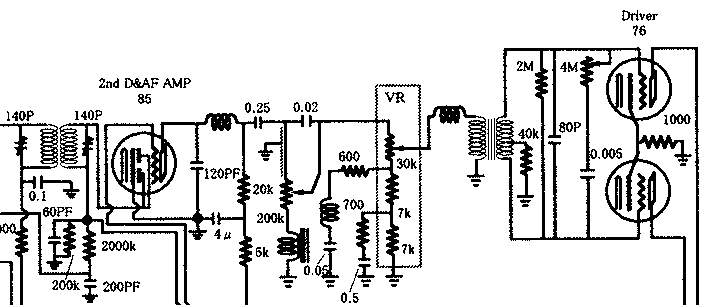
* 音量調整用可変抵抗器は低音量時の高音抑制を加味した”システムボリュームコントローラ”です。 ![]() |
|
![]() | ![]() |

![]() |
|
![]() | ![]() |
![]() | ![]() |
![]() | ![]() |
![]() | ![]() |
![]() | ![]() |
![]() | ![]() |
uchita@jtw.zaq.ne.jp