目次に戻る
イギリス製の KT66シングル7球 高周波2段増幅ストレート検波ラジオ付き電蓄アンプ回路図 * 出力 ; KT66 高周波増幅 ; W42 検波増幅 ; MH4 電源整流 ; MU14 *

![]() |
* アンテナ側同調回路 * 受信波長はこの時代の標準として 中波と長波の2バンドですが、 アンテナ側の同調回路をダブルにして、 選択度を向上させています。 *
* |
|||||||||||||||
![]() |
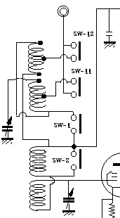
* AVC回路とマジックアイ * ストレート回路(ヘテロダインではない) の受信機にマジックアイが付いているのは 初めてみました。 * 当然ながらAVC回路とセットになりますが、 動作点の設定がけっこう微妙でした。 * 最も強力な電波を受信した状態で 音に歪みが出ないように 半固定のボリュームをセットします。 * |
|||||||||||||||
![]() |
* 音質調整 * この時代の標準的な音質調整回路の 高音減衰方式ですが、 ずいぶんと複雑な回路構成です。 * このボリュームをチェックしたとき 最初は断線しているのかと思ってしまいました。 * |