*
シャープ「明聴2号受信機」再生式4球ラヂオ
*
映画の中で、ピエール瀧さんが、銀行から融資を引き出すため、銀行マンの目の前で
修理して見せたラヂオです。
*

*
日本のメーカーが製造していたラヂオ受信機は、大体同じような回路構成で、再生検波の次の段は
トランス結合でカソードに抵抗とコンデンサで自己バイアスをかける
「感度重視」の回路でしたが
このセットは、カソード側にスピーカを入れて、強力な「ネガティブフィードバック」をかける
音質を重視した、いわゆる「ハイファイセット」になっています。
*
昭和30年代になって、音質がセールスポイントになってからは、高級Hi-Fiセットで採用されていますが、
私の知る限り、当時アメリカやヨーロッパの受信機にも、これほどまでに音質を重視した
回路構成の受信機は無かったと思います。
*

*

*
東宝の”装飾担当”の方が、ピカピカに磨いてくれました。
*

*
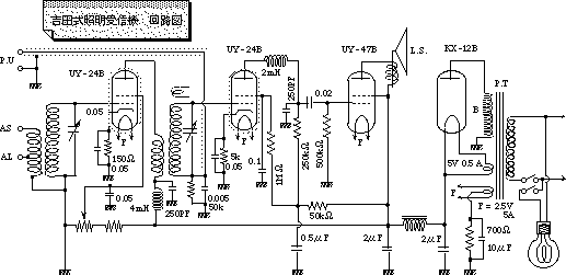
「吉田式スタンドラヂオ」
*
”石統(石油配給統制会社)”の社長室
ディスクに鎮座しているラヂオです。
*
メーカーは「日本電波工業研究所」
昭和10年(1935)頃、65円で販売されていました

*
このラヂオは、戦後になっても全く同じ形で発売されていましたが、
真空管だけは ST管からMT管に変更されています。
*
| * スタンドの電球は40ワット程度 * ![]() * 出力管、オリジナルはUY-47B(写真は3Y-P1) * ![]() |
”土俵の4本柱”の中には真空管が入っている オリジナルは UY-24B(写真は57S) * ![]() * 名板です ![]() * 回路は、高周波一段増幅、プレート検波の4球受信機ですが 再生検波ではありませんので、通常のラジオに比べて感度は いまいちです。 * |

*
どの場面で出たのか忘れたラジオ
*
その1_日本ビクターの「高周波一段増幅、再生検波、4球ラジオ」
*
![]() |
![]() |
| * 時計文字盤をぐるっと取り巻いているのは、タイマー設定用 のノブです。 * 一時間当たり4個なので、15分きざみで入り・切りの設定ができます。 * ![]() |
![]() * 高周波増幅:UZ-58 再生検波:UZ-57 電力増幅:UY-47B(3YP1) 電源整流:KX-12B(12F) * |
* 右のラベルは、高周波2段増幅の5球セットですが、実際は 高周波1段増幅の4球です。 * メーカーオリジナルか”ラヂオ屋さん”の改造か、 真相は不明です。 |
![]() |

*

*
ラジオセットは戦後標準型となった「5球スーパー」です。
*
| 検波増幅:6AV6 電力増幅:6AR5 電源整流:6X4 * ![]() |
周波数変換:6BE6 中間周波増幅:6BD6 * ![]() |